Gusseisen

Die Fonderia SCM stellt alle Arten von niedrigem und mittlerem Gusseisen, sowohl Sphäro- als auch Lamellenguss, vorgesehen nach den wichtigsten Referenznormen UNI, DIN, NF, EN, ISO, ASTM und auf Kundenwunsch auch nach kundenspezifischen Eigenschaften her.

 

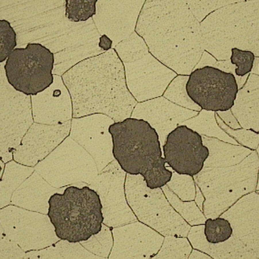
Durch die Verwendung hochwertiger Materialien ist SCM Fonderie in der Lage, kugelförmige ferritische Gusseisen ISO 1083 / JS / 350-22 LT und ISO 1083 / JS / 400-18 LT "als Guss" herzustellen, ohne dass eine thermische Ferritisierung erforderlich ist. Es ist auch in der Lage, spannungsentlastende Wärmebehandlungen von Formgussteilen durch Kühlungssteuerung bereitzustellen. Beide Kapazitäten sind sehr gut für Teile geeignet, die gegenüber durch Wärmebehandlungen induzierten Verformungsphänomenen empfindlich sind

 

Darüber hinaus wird eine begrenzte Produktion von kompaktem Graphitgusseisen gemäß der Norm ASTM A247 hergestellt. Die Gießerei verfügt über die besten Technologien mit konsolidiertem Know-how und Prozessen, die eine qualitative Stabilität bei der Herstellung des Materials gewährleisten und konstante Eigenschaften der korrekten Erstarrung, bemerkenswerte mechanische Eigenschaften und gute Verarbeitbarkeit gewährleisten.